YOKE FORGED ALLOY WIDE BODY SHACKLE
The Yoke Forged Alloy Wide Body Shackle is manufactured from high-strength alloy steel and designed to provide increased load bearing surface for slings, helping to reduce wear and extend sling life. Available in capacities ranging from 7 to 30 tonnes, it’s ideal for heavy-duty lifting applications where durability and reliability are critical.
- Description
Description
Features
- Capacity 7 – 30 tonne
- Shackles are forged from alloy steel with alloy pin
- Size and working load limit permanently shown on each shackle
- All shackles come with a batch code that links the product to it’s test certificate for tractability
- 100% magnaflux crack detection
- 20,000 cycle fatigue rated to 1.5 times working load limit
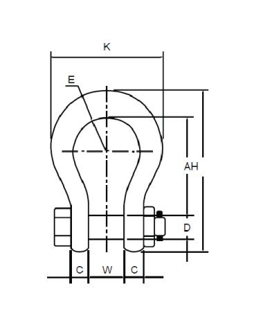
Specifications
| NOMINAL SIZE (mm) | WLL (tonnes) | A (mm) | B (mm) | C (mm) | D (mm) | E (mm) | G (mm) | H (mm) |
|---|---|---|---|---|---|---|---|---|
| 19 | 7 | 91 | 41 | 18 | 22 | 32 | 46 | 150 |
| 26 | 12.5 | 118 | 54 | 23 | 29 | 41 | 61 | 194 |
| 32 | 18 | 148 | 64 | 30 | 36 | 51 | 68 | 238 |
| 38 | 30 | 176 | 80 | 35 | 45 | 64 | 89 | 289 |
























