EYE BOLT- BS4278 WITH METRIC SIZING
BS4278 Eye Bolts are used as removable lifting points with a rated female thread or nut, or as terminations for chain, wire rope, and other assemblies.
- Description
Description
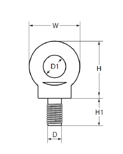
Specifications
| SIZE (mm) | PITCH (mm) | WLL (t) | WEIGHT (kg) | D (mm) | D1 (mm) | D2 (mm) | D3 (mm) | H (mm) | H1 (mm) | W (mm) |
|---|---|---|---|---|---|---|---|---|---|---|
| M10 | 1.50 | 0.25 | 0.07 | 10 | 15 | 22 | 9 | 35 | 18 | 32 |
| M12 | 1.75 | 0.40 | 0.07 | 12 | 15 | 22 | 9 | 40 | 18 | 33 |
| M16 | 2.00 | 0.80 | 0.16 | 16 | 20 | 29 | 12 | 52 | 23 | 44 |
| M20 | 2.50 | 1.60 | 0.44 | 20 | 27 | 40 | 16 | 72 | 32 | 59 |
| M24 | 3.00 | 2.50 | 0.86 | 24 | 35 | 52 | 21 | 92 | 40 | 77 |
| M30 | 3.50 | 4.00 | 1.66 | 30 | 44 | 65 | 26 | 116 | 51 | 96 |
























